Waluta - Currency
Producenci
- Klucz imbusowy 3mm krótki ampulowy 66x23 trzpieniowy Kennedy KEN6011300K KEN-601-1300K
- Klucz imbusowy 2,5mm krótki ampulowy 58x20 trzpieniowy Kennedy KEN6011250K KEN-601-1250K
- Klucz imbusowy 2mm niklowany trzpieniowy ampulowy Kennedy KEN6017540K
- Klucz imbusowy 1,5mm krótki ampulowy 46x15 trzpieniowy Kennedy KEN6011150K KEN-601-1150K PRO20
- Klucz imbusowy 2mm krótki ampulowy 52x18 trzpieniowy Kennedy KEN6011200K KEN-601-1200K MTM
- Uchwyt metalowy 5mm pełne 1-rurowy do rur i kabli din72573 cynkowany 1szt. Matlock MTL6627480K PRO24-1
- Zacisk sprężysty 10mm otwarty BZP cynkowany 1szt. Matlock MTL6621010K MTM
- Wycior do rur 10mm 3/8" Kennedy KEN9061030K
- Wiertło 5,2mm krótkie HSS czernione do metalu Sherwood SHR0251279P
- Zacisk sprężysty 6mm zamknięty BZP cynkowany 1szt. Matlock MTL6622100K MTM
- Klucz imbusowy 2,5mm długi trzpieniowy ampulowy Kennedy KEN6014250K
- Klucz imbusowy 3mm niklowany trzpieniowy ampulowy Kennedy KEN6017580K
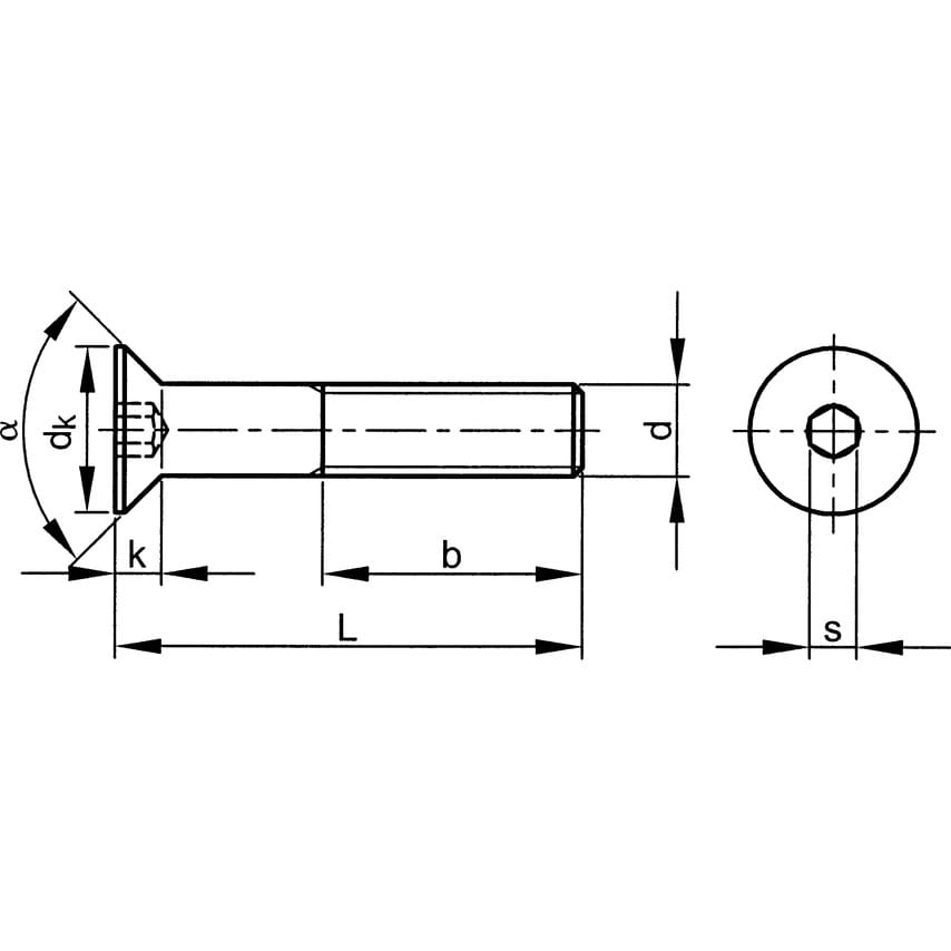
Śruba M12x75 A2 nierdzewna imbusowa łeb stożkowy 100szt. Qualfast QFT6042225X
Cena regularna:
Cena regularna:
towar niedostępny
dodaj do przechowalni
Opis
M12x75 SKT C/SUNK HEAD SCREWA2 Qualfast QFT6042225X
QFT-604-2225X
Metric Thread Material Stainless Steel A2 ISO 10642
- Leading Standard: DIN 7991
- Thread Direction: Right Hand
- Thread: Metric
- Length: 75mm
- Grade: 304
- Material: A2 Stainless
- Surface Treatment: Plain
- Head Shape: Countersunk
- Box Quantity: 25
- Thread Size: M12
- Driving Features: Hexagon Socket