Waluta - Currency
Producenci
- Klucz imbusowy 3mm krótki ampulowy 66x23 trzpieniowy Kennedy KEN6011300K KEN-601-1300K
- Klucz imbusowy 2,5mm krótki ampulowy 58x20 trzpieniowy Kennedy KEN6011250K KEN-601-1250K
- Klucz imbusowy 2mm niklowany trzpieniowy ampulowy Kennedy KEN6017540K
- Klucz imbusowy 1,5mm krótki ampulowy 46x15 trzpieniowy Kennedy KEN6011150K KEN-601-1150K PRO20
- Klucz imbusowy 2mm krótki ampulowy 52x18 trzpieniowy Kennedy KEN6011200K KEN-601-1200K MTM
- Uchwyt metalowy 5mm pełne 1-rurowy do rur i kabli din72573 cynkowany 1szt. Matlock MTL6627480K PRO24-1
- Zacisk sprężysty 10mm otwarty BZP cynkowany 1szt. Matlock MTL6621010K MTM
- Wycior do rur 10mm 3/8" Kennedy KEN9061030K
- Wiertło 5,2mm krótkie HSS czernione do metalu Sherwood SHR0251279P
- Zacisk sprężysty 6mm zamknięty BZP cynkowany 1szt. Matlock MTL6622100K MTM
- Klucz imbusowy 2,5mm długi trzpieniowy ampulowy Kennedy KEN6014250K
- Klucz imbusowy 3mm niklowany trzpieniowy ampulowy Kennedy KEN6017580K
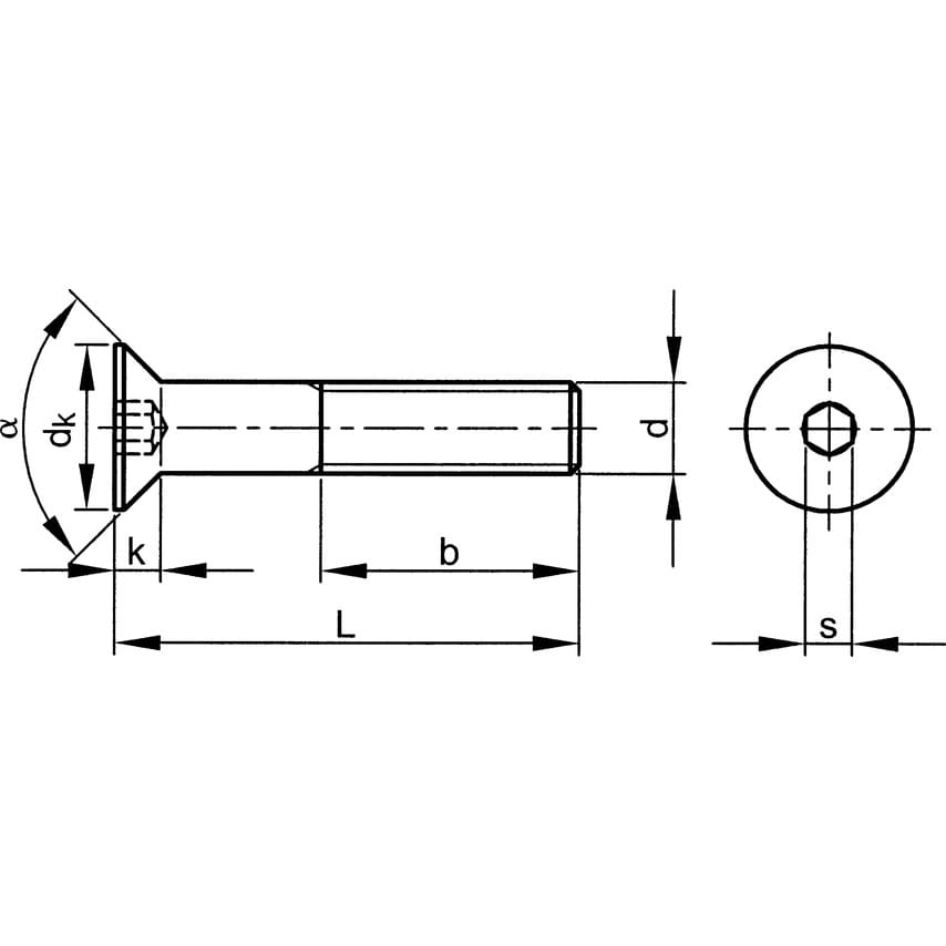
Śruba 5/16 UNCx1. A2 nierdzewna imbusowa łeb stożkowy 100szt. Qualfast QFT6052050L
Cena regularna:
Cena regularna:
towar niedostępny
dodaj do przechowalni
Opis
5/16UNCx1. SKT C/SUNK HEADSCREW A2 Qualfast QFT6052050L
QFT-605-2050L
High Grade Alloy Steel to BS EN ISO 898/1 Grade 10.9. Suitable for all high tensile applications. Maximum operating temperature (unplated): 300°C. For applications that require a flush finished surface. Precisely controlled countersink angle allows maximum flushness and sidewall contact. Dimensions to BS 2470
- Leading Standard: DIN 7991
- Thread Direction: Right
- Thread: UNC
- Grade: F837
- Material: A2 Stainless
- Surface Treatment: Plain
- Head Shape: Countersunk
- Box Quantity: 100
- Thread Size: 5/16
- Driving Features: Hexagon Socket